山下工業研究所
4410M-25 1/2インチ(12.7mm) サーフェイスソケット 25mm
「Ko-ken」はソケットレンチの専門メーカーとして再良質の工具を常に追求し、ユーザーニーズに応えています。
「Ko-ken」はソケットレンチの専門メーカーとして再良質の工具を常に追求し、ユーザーニーズに応えています。
「Ko-ken」はソケットレンチの専門メーカーとして再良質の工具を常に追求し、ユーザーニーズに応えています。
●徹底した面接触タイプのソケットです。ボルト/ナットの角を保護し、高いトルクを
ナット面に伝達します。
●化粧ナットやアルミナットなどに対する攻撃性も低く、磨耗して多少角の潰れて
しまったようなナットも回すことが出来ます
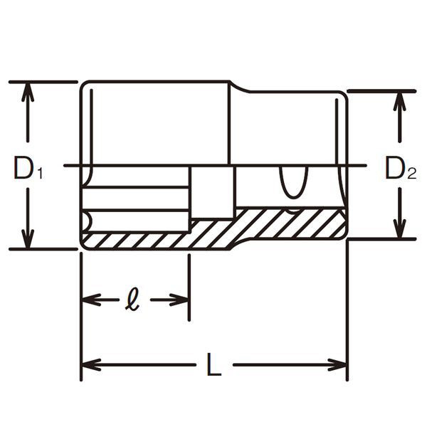
■品番: 4410M-25
■D1(mm): 34
■D2(mm): 31
■l(mm): 18
■L(mm): 42
■重量(g): 164
| 商品名 | 4410M-25 1/2インチ(12.7mm) サーフェイスソケット 25mm |
|---|---|
| 型番 | 4410M25 |
| メーカー | 山下工業研究所 |
| 商品番号 | 20213143 |
| JANコード | 4991644080489 |
| メーカー発売日 | 2019年頃発売 |
レビューがありません



